360W5000转 48V80法兰直流无刷电机
-
QW80F4H03N50360
-
80低压无刷电机
-
奇沃/QIWO
-
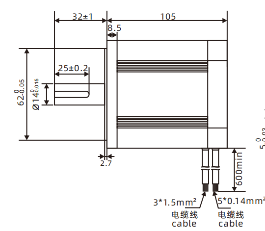
80*80
-
3
-
8
-
48V
-
360W
-
5000RPM
-
0.7
-
2.5kg
-
轴,法兰,端盖,线,减速机,刹车等
-
BLD300
-
关于电机定制,驱动器定制,电机控制器减速机方案选型问题请咨询 周工 13308458470


参数名称 参数值 相数(Number of Phase) 3 极数(Number of Poles) 8 额定电压(Rated Voltage) 48V 空载转速(No Load Speed) 6000 ± 10% RPM 额定转速(Rated Speed) 5000 ± 10% RPM 空载电流(No Load Current) 0.9A 额定电流(Rated Current) 10A 额定转矩(Rated Torque) 0.7N.M 额定功率(Rated Power) 360W 电阻(Resistance) Ω ± 10% 电感(Inductance) mH ± 20% 绝缘电阻(Insulation Resistance) 100MΩ Min(500VDC) 介电强度(Dielectric Strength) 700VAC 1 minute 转动方向(Direction of Rotation) 顺时针(CW) 绝缘等级(Insulation Class) B 重量(Weight) 2.5KG 工作温度 0-50℃ 湿度 90%RH,不结霜状态s90%RH 海拔高度 ≤1000m 振动 ≤0.5G 绕组类型 星形 电角度 120°c 绝缘等级 B 使用环境温度 -20°C~50°C 绝缘电阻 100MΩMin.500VC DC 介电强度 500v AC 1 minute
