Products list产品类别

235W3000转 48V80法兰直流无刷电机

  • QW80F4H03N30235

  • 80低压无刷电机

  • 奇沃/QIWO

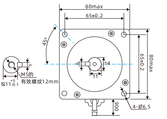
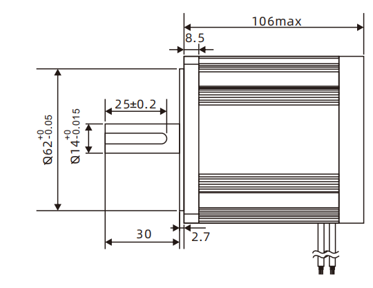
  • 80*80

  • 3

  • 8

  • 48V

  • 235W

  • 3000RPM

  • 0.75

  • 1.95kg

  • 轴,法兰,端盖,线,减速机,刹车等

  • BLD300

  •   关于电机定制,驱动器定制,电机控制器减速机方案选型问题请咨询 周工 13308458470


    235W3000转-QW80F4H03N30235-3.png



    235W3000转-QW80F4H03N30235-4.png



    Motor Specifications
    参数 (Parameter)单位 (Unit)值 (Value)
    相数 (Number of Phase)-3
    极数 (Number of Poles)-8
    额定电压 (Rated Voltage)V48
    空载转速 (No Load Speed)RPM3900
    额定转速 (Rated Speed)RPM3000
    空载电流 (No Load Current)A0.7
    额定电流 (Rated Current)A7
    额定转矩 (Rated Torque)N.M0.75
    额定功率 (Rated Power)W235
    电阻 (Resistance)Ω0.35Ω ±10%
    电感 (Inductance)mH0.8–0.9mH ±20%
    绝缘电阻 (Insulation Resistance)100MΩ min (500VDC)
    介电强度 (Dielectric Strength)VAC1500VAC 1 minute
    转动方向 (Direction Of Rotation)-顺时针 (CW)
    绝缘等级 (Insulation Class)-B
    重量 (Weight)KG1.95
  • 工作温度 0-50℃
    湿度 90%RH,不结霜状态s90%RH
    海拔高度 ≤1000m
    振动 ≤0.5G
    绕组类型 星形
    电角度 120°c
    绝缘等级 B
    使用环境温度 -20°C~50°C
    绝缘电阻 100MΩMin.500VC DC
    介电强度 500v AC 1 minute