Products list产品类别

1500W1500转 48V130法兰直流无刷电机

  • QW130F4H05N152200

  • 130低压无刷电机

  • 奇沃/QIWO

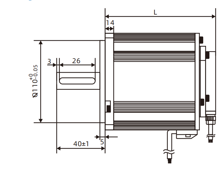
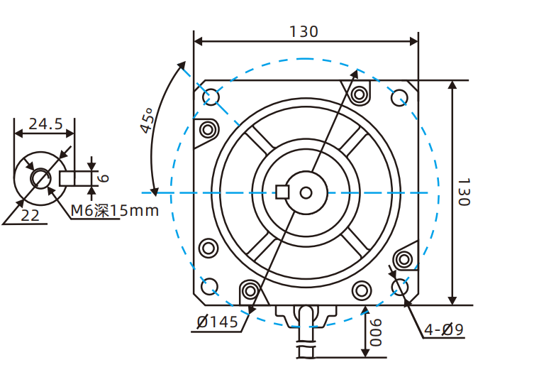
  • 130*130

  • 3

  • 8

  • 48V

  • 1500W

  • 1500RPM

  • 9.6

  • 8kg

  • 轴,法兰,端盖,线,减速机,刹车等

  • QW01、QW06系列

  •   关于电机定制,驱动器定制,电机控制器减速机方案选型问题请咨询 周工 13308458470

    1500W1500转-QW130F4H05N152200-3.png



    1500W1500转-QW130F4H05N152200-4.png



    电机参数表
    参数名称单位数值
    额定电压 (Rated Voltage)V48
    额定功率 (Rated power)W1500
    额定转矩 (Rated Torque)N.M9.6
    额定电流 (Rated Current)A39
    额定转速 (Rated Speed)RPM1500
    峰值扭矩 (Peak Torque)N.M11.52
    峰值电流 (Peak Current)A46.8
    极数 (No of poles)-8
    转动惯性 (Rotor Inertia)Kg.cm²10.8
    反电势常数 Ke (RMS L-L)V/kRPM15.4
    转矩常数 Torque constantKt (Nm/A)0.25
    线电阻 (Resistance)Ω±10%
    线电感 (Inductance)mH±20%
    最大径向力 (Max radial force)N720
    最大轴向力 (Max axial force)N360
    绝缘等级 (Insulation Class)-F
    防护等级 (Safety Class)-IP65
    重量 (Weight)KG8
  • 工作温度 0-50℃
    湿度 90%RH,不结霜状态s90%RH
    海拔高度 ≤1000m
    振动 ≤0.5G
    绕组类型 星形
    电角度 120°c
    绝缘等级 B
    使用环境温度 -20°C~50°C
    绝缘电阻 100MΩMin.500VC DC
    介电强度 500v AC 1 minute