3000W3000转 48V130法兰直流无刷电机
-
QW130F4H05N303000
-
130低压无刷电机
-
奇沃/QIWO
-
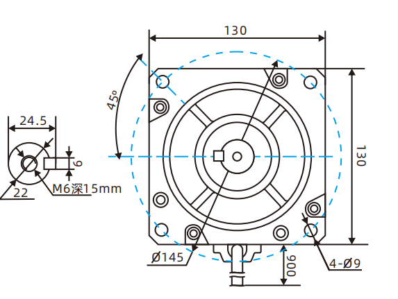
130*130
-
3
-
10
-
48V
-
3000W
-
3000RPM
-
9.6
-
6.7kg
-
轴,法兰,端盖,线,减速机,刹车等
-
BC-90A
-
关于电机定制,驱动器定制,电机控制器减速机方案选型问题请咨询 周工 13308458470


Motor Specifications Parameter / 参数 Unit / 单位 Value / 数值 Rated Voltage / 额定电压 V 48 Rated Power / 额定功率 W 3000 Rated Torque / 额定转矩 N.M 9.6 Rated Current / 额定电流 A 80 Rated Speed / 额定转速 RPM 3000 Peak Torque / 峰值扭矩 N.M 11.52 Peak Current / 峰值电流 A 96 No of Poles / 极数 10 Rotor Inertia / 转子惯性 Kg.cm² 13.7 Back EMF Constant Ke(RMS L-L) / 反电势常数 V/kRPM 11.7 Torque Constant / 转矩常数 Nm/A 0.12 Resistance / 线电阻 Ω 0.016±10% Inductance / 线电感 mH 0.08±20% Max Radial Force / 最大径向力 N 720 Max Axial Force / 最大轴向力 N 360 Insulation Class / 绝缘等级 F Protection Class / 防护等级 IP54(轴端除外) Weight / 重量 KG 6.7 工作温度 0-50℃ 湿度 90%RH,不结霜状态s90%RH 海拔高度 ≤1000m 振动 ≤0.5G 绕组类型 星形 电角度 120°c 绝缘等级 B 使用环境温度 -20°C~50°C 绝缘电阻 100MΩMin.500VC DC 介电强度 500v AC 1 minute
