Products list产品类别

1000W1500转 48V110法兰直流无刷电机

  • QW110F4H05N151000

  • 110低压无刷电机

  • 奇沃/QIWO

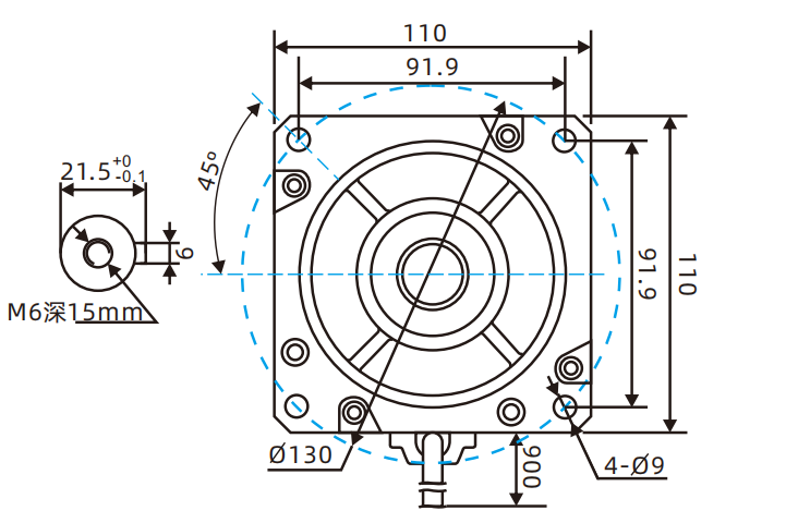
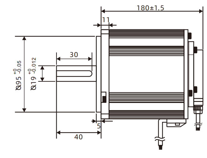
  • 110*110

  • 3

  • 10

  • 48V

  • 1000W

  • 1500RPM

  • 6.4

  • 7kg

  • 轴,法兰,端盖,线,减速机,刹车等

  • QW01、QW06系列

  •   关于电机定制,驱动器定制,电机控制器减速机方案选型问题请咨询 周工 13308458470


    972c1d11cd442069e158774d80291257.png




    9771e69c90cac35efc927aa5774d8cc7.png




    参数 (Parameter)单位 (Unit)数值 (Value)
    额定电压 (Rated Voltage)V48DC
    额定功率 (Rated Power)W1000
    额定转矩 (Rated Torque)N·m6.4
    额定电流 (Rated Current)A26
    额定转速 (Rated Speed)RPM1500
    峰值扭矩 (Peak Torque)N·m7.68
    峰值电流 (Peak Current)A31.2
    极数 (No of Poles)
    10
    转动惯量 (Rotor Inertia)kg·cm²3.7
    反电势常数 (Back EMF Constant) Ke(RMS L-L)V/kRPM15.4
    线电阻 (Resistance)Ω±10%
    线电感 (Inductance)mH±20%
    最大径向力 (Max Radial Force)N620
    最大轴向力 (Max Axial Force)N310
    绝缘等级 (Insulation Class)
    F
    防护等级 (Protection Class)
    IP65
    重量 (Weight)kg7
  • 工作温度 0-50℃
    湿度 90%RH,不结霜状态s90%RH
    海拔高度 ≤1000m
    振动 ≤0.5G
    绕组类型 星形
    电角度 120°c
    绝缘等级 B
    使用环境温度 -20°C~50°C
    绝缘电阻 100MΩMin.500VC DC
    介电强度 500v AC 1 minute