2000W3000转 48V110法兰直流无刷电机
-
QW110F4H05N302000
-
110低压无刷电机
-
奇沃/QIWO
-
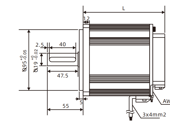
110*110
-
3
-
10
-
48V
-
2000W
-
3000RPM
-
6.4
-
5.2kg
-
轴,法兰,端盖,线,减速机,刹车等
-
BLD100A
-
关于电机定制,驱动器定制,电机控制器减速机方案选型问题请咨询 周工 13308458470


参数(中文) 参数(英文) 数值 单位 / 说明 额定功率 Rated Power 2000 W 电阻 Resistance - Ω ±10% 电感 Inductance - mH ±20% 额定电压 Rated Voltage 48 VDC 额定转速 Rated Speed 3000 RPM 额定电流 Rated Current 56 A 额定转矩 Rated Torque 6.4 N·m 峰值电流 Peak Current 67.2 A 峰值扭矩 Peak Torque 7.68 N·m 反电动势常数 Ke (RMS L-L) Back EMF Constant Ke (RMS L-L) 8.4 V/kRPM 转子惯性 Rotor Inertia - kg·cm² 极数 Number of Poles 10 - 重量 Weight 5.2 kg 绝缘等级 Insulation Class F - 工作温度 0-50℃ 湿度 90%RH,不结霜状态s90%RH 海拔高度 ≤1000m 振动 ≤0.5G 绕组类型 星形 电角度 120°c 绝缘等级 B 使用环境温度 -20°C~50°C 绝缘电阻 100MΩMin.500VC DC 介电强度 500v AC 1 minute
