450W8000转 220V80法兰直流无刷电机
-
QW80F6H01G80450
-
80高速无刷电机
-
奇沃/QIWO
-
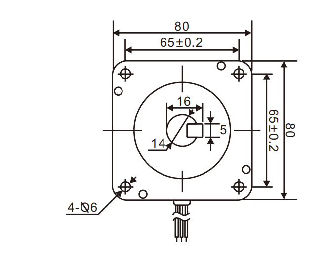
80*80
-
3
-
6
-
310V
-
450W
-
8000RPM
-
0.53
-
1.7kg
-
轴,法兰,端盖,线,减速机,刹车等
-
QW-HV-01BL
-
关于电机定制,驱动器定制,电机控制器减速机方案选型问题请咨询 周工 13308458470


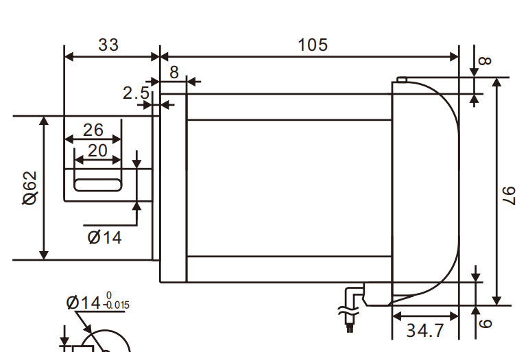
电机参数表 - QW80F6H01G80450-2 参数 单位 数值 额定功率 (Rated power) W 450 极数 (Number of Poles) - 6 额定电压 (Rated Voltage) V 310 额定转速 (Rated Speed) RPM 8000 额定转矩 (Rated Torque) N·m 0.53 额定电流 (Rated Current) A 1.94 峰值扭矩 (Peak Torque) N·m 0.636 峰值电流 (Peak Current) A 2.328 力矩常数 (Torque Constant) N·m/A 0.27 反势力常数 Ke (RMS L-L) V/kRPM 20 机身长度 (Motor Length) mm 105 重量 (Weight) kg 1.7 工作温度 0-50℃ 湿度 90%RH,不结霜状态s90%RH 海拔高度 ≤1000m 振动 ≤0.5G 绕组类型 星形 电角度 120°c 绝缘等级 B 使用环境温度 -20°C~50°C 绝缘电阻 100MΩMin.500VC DC 介电强度 500v AC 1 minute
