2500W10000转 220V80法兰直流无刷电机
-
QW80F6H06N1002500
-
80高速无刷电机
-
奇沃/QIWO
-
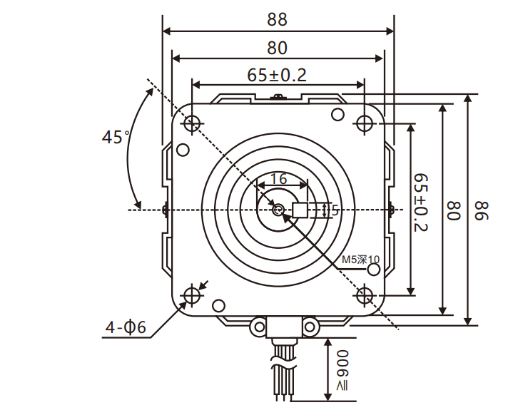
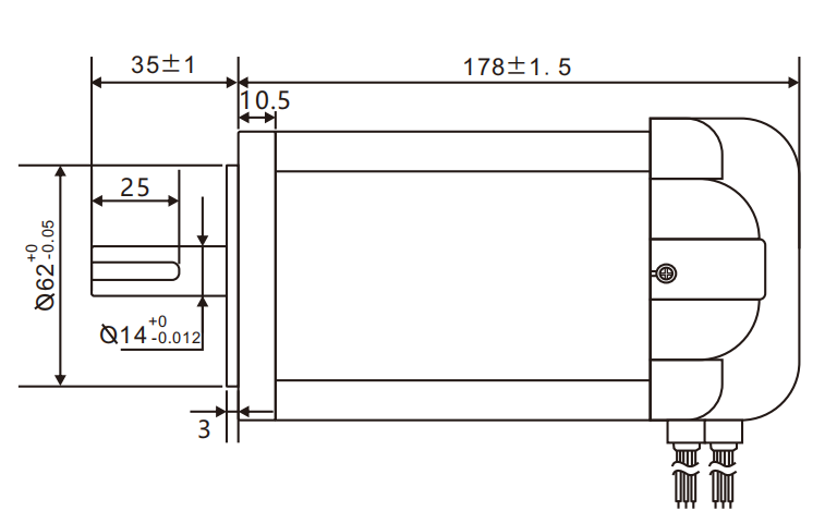
80*80
-
3
-
4
-
310V
-
2500W
-
10000RPM
-
2.4
-
3kg
-
轴,法兰,端盖,线,减速机,刹车等
-
QW-HV-01BL、06-2200系列
-
关于电机定制,驱动器定制,电机控制器减速机方案选型问题请咨询 周工 13308458470


参数 单位 值 额定电压 V 310DC 额定功率 W 2500 额定转矩 N.M 2.4 额定电流 A 11 额定转速 RPM 10000 峰值扭矩 N.M 2.88 峰值电流 A 13.2 空载电流 A 1 线电阻 Ω 0.42±10% 线电感 mH 2.3±20% 反电动势常数Ke V/kRPM 15.7 转动惯量 Kg.cm² 0.96 极数 - 4 最大径向力 N 180 最大轴向力 N 90 绝缘等级 - B 重量 KG 3.0 工作温度 0-50℃ 湿度 90%RH,不结霜状态s90%RH 海拔高度 ≤1000m 振动 ≤0.5G 绕组类型 星形 电角度 120°c 绝缘等级 B 使用环境温度 -20°C~50°C 绝缘电阻 100MΩMin.500VC DC 介电强度 500v AC 1 minute
