400W3000转 220V60法兰直流无刷电机
-
QW60F6H03N30400
-
60系列高压无刷电机
-
奇沃/QIWO
-
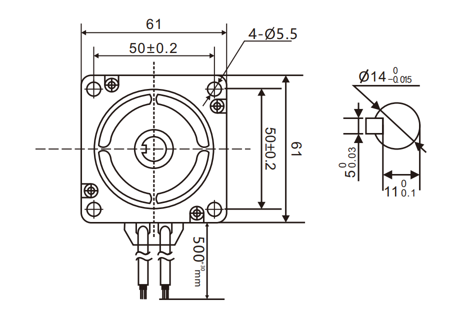
60*60
-
3
-
8
-
310V
-
400W
-
3000RPM
-
1.27
-
2.05kg
-
轴,法兰,端盖,线,减速机,刹车等
-
QW-HV-01BL、bld-550h、06-750、QW-12等系列
-
关于电机定制,驱动器定制,电机控制器减速机方案选型问题请咨询 周工 13308458470


参数 单位 数值 额定功率 (Rated power) W 400 极数 (Number of Poles) - 8 额定电压 (Rated Voltage) V 310 额定转速 (Rated Speed) RPM 3000 额定转矩 (Rated Torque) N·m 1.27 额定电流 (Rated Current) A 1.7 峰值扭矩 (Peak Torque) N·m 1.524 峰值电流 (Peak Current) A 2.04 力矩常数 (Torque Constant) N·m/A 0.76 反势力常数 Ke (RMS L-L) V/kRPM 55 机身长度 (Motor Length) mm 140 重量 (Weight) kg 2.05 工作温度 0-50℃ 湿度 90%RH,不结霜状态s90%RH 海拔高度 ≤1000m 振动 ≤0.5G 绕组类型 星形 电角度 120°c 绝缘等级 B 使用环境温度 -20°C~50°C 绝缘电阻 100MΩMin.500VC DC 介电强度 500v AC 1 minute
