5000W3000转 380V130法兰直流无刷电机
-
QW130F8H05N305000
-
130高压无刷电机
-
奇沃/QIWO
-
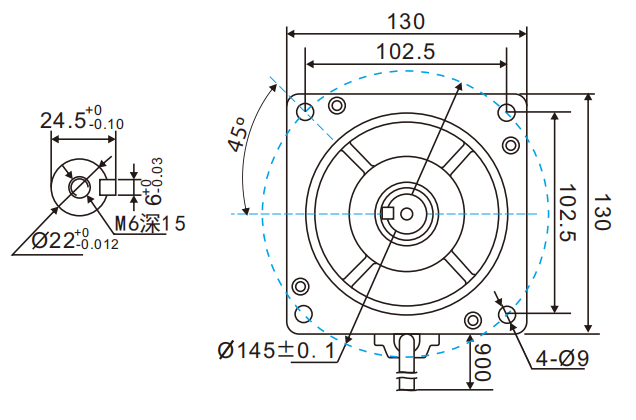
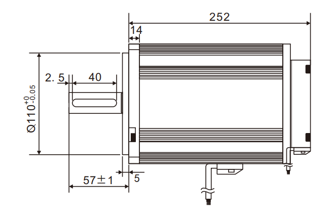
130*130
-
3
-
8
-
540V
-
5000W
-
3000RPM
-
16
-
12kg
-
轴,法兰,端盖,线,减速机,刹车等
-
QW-HV-01BL、06-2200系列
-
关于电机定制,驱动器定制,电机控制器减速机方案选型问题请咨询 周工 13308458470


参数项 单位 数值 额定电压 (Rated Voltage) V 540DC 额定功率 (Rated power) W 5000 额定转矩 (Rated Torque) N.M 16 额定电流 (Rated Current) A 13 额定转速 (Rated Speed) RPM 3000 峰值扭矩 (Peak Torque) N.M 19.2 峰值电流 (Peak Current) A 15.6 极数 (No of poles) 8 转动惯量 (Rotor Inertia) Kg.cm² 17 反势力常数 Ke (RMSL-L) V/kRPM 84 线电阻 (Resistance) Ω ±10% 线电感 (Inductance) mH ±20% 最大径向力 (Max radial force) N 720 最大轴向力 (Max axial force) N 360 绝缘等级 (Insulation Class) F 防护等级 (Safety Class) IP54(轴端除外) 重量 (Weight) KG 12 工作温度 0-50℃ 湿度 90%RH,不结霜状态s90%RH 海拔高度 ≤1000m 振动 ≤0.5G 绕组类型 星形 电角度 120°c 绝缘等级 B 使用环境温度 -20°C~50°C 绝缘电阻 100MΩMin.500VC DC 介电强度 500v AC 1 minute
