Products list产品类别

3000W3000转 380V130法兰直流无刷电机

  • QW130F8H02N303000

  • 130高压无刷电机

  • 奇沃/QIWO

  • 130*130

  • 3

  • 10

  • 380V

  • 3000W

  • 3000RPM

  • 9.6

  • 轴,法兰,端盖,线,减速机,刹车等

  • QW-HV-01BL、06-2200系列

  •   关于电机定制,驱动器定制,电机控制器减速机方案选型问题请咨询 周工 13308458470

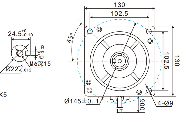
    380v3000W3000转-QW130F8H02N303000-3.png



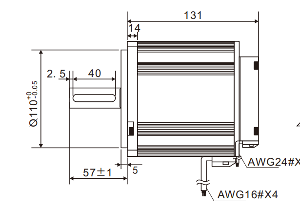
    380v3000W3000转-QW130F8H02N303000-4.png



    参数名称单位参数值
    线电阻 (Resistance)ΩΩ±10%
    线电感 (Inductance)mHmH±20%
    额定电压 (Rated Voltage)VAC380
    额定功率 (Rated power)W3000
    额定转速 (Rated Speed)RPM3000
    额定电流 (Rated Current)A8.7
    额定转矩 (Rated Torque)N.M9.6
    峰值电流 (Peak Current)A10.44
    峰值扭矩 (Peak Torque)N.M11.52
    反电动势常数 Ke (RMSL-L)V/kRPM84
    极数 (No of poles)-10
    绝缘等级 (Insulation Class)-F
    防护等级 (Safety Class)-Ip65
  • 工作温度 0-50℃
    湿度 90%RH,不结霜状态s90%RH
    海拔高度 ≤1000m
    振动 ≤0.5G
    绕组类型 星形
    电角度 120°c
    绝缘等级 B
    使用环境温度 -20°C~50°C
    绝缘电阻 100MΩMin.500VC DC
    介电强度 500v AC 1 minute