3000W3000转 220V130法兰05系列直流无刷电机
-
QW130F6H05N303000
-
130高压无刷电机
-
奇沃/QIWO
-
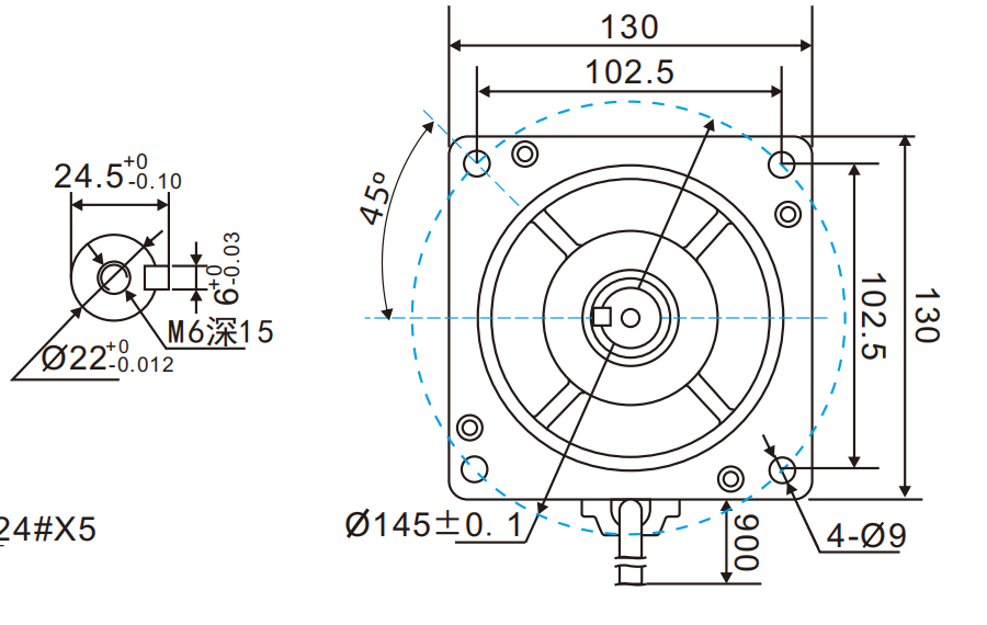
130*130
-
3
-
10
-
220V
-
3000W
-
3000RPM
-
9.6
-
6.35
-
轴,法兰,端盖,线,减速机,刹车等
-
QW-HV-01BL、06-2200系列
-
关于电机定制,驱动器定制,电机控制器减速机方案选型问题请咨询 周工 13308458470


参数名称 单位 数值/规格 线电阻(Resistance) Ω Ω±10% 线电感(Inductance) mH mH±20% 额定电压(Rated Voltage) VAC 220 额定功率(Rated power) W 3000 额定转速(Rated Speed) RPM 3000 额定电流(Rated Current) A 18 额定转矩(Rated Torque) N.M 9.6 峰值电流(Peak Current) A 21.6 峰值扭矩(Peak Torque) N.M 11.52 反势力常数Ke(RMSL-L) V/kRPM 55 极数(No of poles) 10 绝缘等级(Insulation Class) F 工作温度 0-50℃ 湿度 90%RH,不结霜状态s90%RH 海拔高度 ≤1000m 振动 ≤0.5G 绕组类型 星形 电角度 120°c 绝缘等级 B 使用环境温度 -20°C~50°C 绝缘电阻 100MΩMin.500VC DC 介电强度 500v AC 1 minute
