1500W3000转 220V110法兰05系列直流无刷电机
-
QW110F6H05N301500
-
110高压无刷电机
-
奇沃/QIWO
-
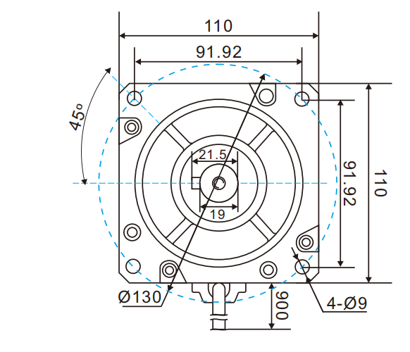
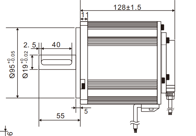
110*110
-
3
-
10
-
310V
-
1500W
-
3000RPM
-
4.8
-
4kg
-
轴,法兰,端盖,线,减速机,刹车等
-
QW-HV-01BL、06-2200系列
-
关于电机定制,驱动器定制,电机控制器减速机方案选型问题请咨询 周工 13308458470


参数 (Parameter) 单位 (Unit) 数值/规格 (Value/Specification) 电阻 (Resistance) Ω ±10% 电感 (Inductance) mH ±20% 额定电压 (Rated Voltage) V 310DC 额定功率 (Rated Power) W 1500 额定转速 (Rated Speed) RPM 3000 额定电流 (Rated Current) A 6.5 额定转矩 (Rated Torque) N.M 4.8 峰值电流 (Peak Current) A 7.8 峰值扭矩 (Peak Torque) N.M 5.76 反势力常数Ke (RMSL-L) V/kRPM 44 极数 (No of poles) - 10 绝缘等级 (Insulation Class) - F 工作温度 0-50℃ 湿度 90%RH,不结霜状态s90%RH 海拔高度 ≤1000m 振动 ≤0.5G 绕组类型 星形 电角度 120°c 绝缘等级 B 使用环境温度 -20°C~50°C 绝缘电阻 100MΩMin.500VC DC 介电强度 500v AC 1 minute
