250W3000转 24V86法兰直流无刷电机
-
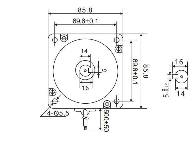
86法兰250W3000转-QW86F2H03N30250
-
86低压无刷电机
-
奇沃/QIWO
-
86*86
-
3
-
8
-
24V
-
250W
-
3000RPM
-
0.8
-
2kg
-
轴,法兰,端盖,线,减速机,刹车等
-
BLD300
-
关于电机定制,驱动器定制,电机控制器减速机方案选型问题请咨询 周工 13308458470


电机参数表 参数 (Parameter) 单位/符号 (Unit/Symbol) 数值 (Value) 额定功率 (Rated Power) W 250 极数 (Number of Poles) - 8 相数 (Number of Phases) - 3 额定电压 (Rated Voltage) V 24 额定转速 (Rated Speed) RPM 3000 额定扭矩 (Rated Torque) N·m 0.8 额定电流 (Rated Current) A 1.4 峰值扭矩 (Peak Torque) N·m 0.96 峰值电流 (Peak Current) A 1.68 绝缘等级 (Insulation Class) - B 电机长度 (Motor Length) mm 90 重量 (Weight) kg 2 工作温度 0-50℃ 湿度 90%RH,不结霜状态s90%RH 海拔高度 ≤1000m 振动 ≤0.5G 绕组类型 星形 电角度 120°c 绝缘等级 B 使用环境温度 -20°C~50°C 绝缘电阻 100MΩMin.500VC DC 介电强度 500v AC 1 minute
