110W3000转 48V86法兰直流无刷电机
-
QW86F4H03N30110
-
86低压无刷电机
-
奇沃/QIWO
-
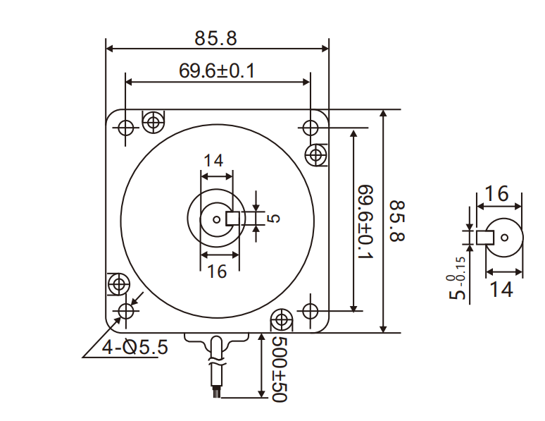
86*86
-
3
-
8
-
48V
-
110W
-
3000RPM
-
0.35
-
1.45kg
-
轴,法兰,端盖,线,减速机,刹车等
-
BLD300
-
关于电机定制,驱动器定制,电机控制器减速机方案选型问题请咨询 周工 13308458470


参数名称 (Parameter) 单位 (Unit) 数值 (Value) 额定功率 (Rated Power) W 110 极数 (Number of Poles) - 8 相数 (Number of Phases) - 3 额定电压 (Rated Voltage) V 48 额定转速 (Rated Speed) RPM 3000 额定扭矩 (Rated Torque) N·m 0.35 额定电流 (Rated Current) A 3.6 峰值扭矩 (Peak Torque) N·m 0.42 峰值电流 (Peak Current) A 4.32 力矩常数 (Torque Constant) N·m/A 0.10 反电势常数 Ke (RMS L-L) V/kRPM 10.5 转动惯量 (Rotary Inertia) g·cm² 400 机身长度 (Motor Length) mm 75 重量 (Weight) kg 1.45 工作温度 0-50℃ 湿度 90%RH,不结霜状态s90%RH 海拔高度 ≤1000m 振动 ≤0.5G 绕组类型 星形 电角度 120°c 绝缘等级 B 使用环境温度 -20°C~50°C 绝缘电阻 100MΩMin.500VC DC 介电强度 500v AC 1 minute
