Products list产品类别

550W6000转 48V80法兰直流无刷电机

  • QW80F4H03N60550

  • 80低压无刷电机

  • 奇沃/QIWO

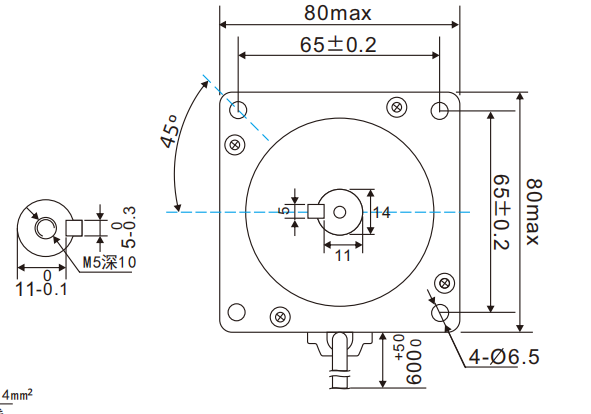
  • 80*80

  • 3

  • 8

  • 48V

  • 550W

  • 6000RPM

  • 1.2

  • 3kg

  • 轴,法兰,端盖,线,减速机,刹车等

  • BLD750

  •   关于电机定制,驱动器定制,电机控制器减速机方案选型问题请咨询 周工 13308458470




    中性03系列48V550W6000转-QW80F4H03N60550-3.png



    中性03系列48V550W6000转-QW80F4H03N60550-4.png





    电机参数表
    参数项单位数值
    相数 (Number of Phase)
    3
    极数 (Number of Poles)
    8
    额定电压 (Rated Voltage)V48
    空载转速 (No Load Speed)RPM7200 ± 10%
    额定转速 (Rated Speed)RPM6000 ± 10%
    空载电流 (No Load Current)A≤ 2.5A
    额定电流 (Rated Current)A20
    额定转矩 (Rated Torque)N·m1.2
    额定功率 (Rated power)W550
    电阻 (Resistance)Ω± 10%
    电感 (Inductance)mH± 20%
    绝缘电阻 (Insulation Resistance)
    100 MΩ min (500V DC)
    介电强度 (Dielectric Strength)
    700 VAC 1 minute
    转动方向 (Direction Of Rotation)
    顺时针 (CW)
    绝缘等级 (Insulation Class)
    B
    重量 (Weight)KG3
  • 工作温度 0-50℃
    湿度 90%RH,不结霜状态s90%RH
    海拔高度 ≤1000m
    振动 ≤0.5G
    绕组类型 星形
    电角度 120°c
    绝缘等级 B
    使用环境温度 -20°C~50°C
    绝缘电阻 100MΩMin.500VC DC
    介电强度 500v AC 1 minute