750W6000转 48V80法兰直流无刷电机
-
QW80F4H03N60750
-
80低压无刷电机
-
奇沃/QIWO
-
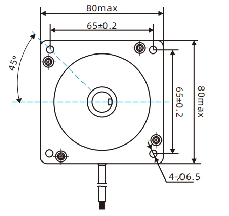
80*80
-
3
-
8
-
48V
-
750W
-
6000RPM
-
1.2
-
3kg
-
轴,法兰,端盖,线,减速机,刹车等
-
BLD750
-
关于电机定制,驱动器定制,电机控制器减速机方案选型问题请咨询 周工 13308458470


电机参数表 参数 (Parameter) 值 (Value) 相数 (Number of Phase) 3 极数 (Number of Poles) 8 额定电压 (Rated Voltage) 48V 空载转速 (No Load Speed) 7200 ± 10% RPM 额定转速 (Rated Speed) 6000 ± 10% RPM 空载电流 (No Load Current) 2.5A 额定电流 (Rated Current) 20A 额定转矩 (Rated Torque) 1.2 N.M 额定功率 (Rated Power) 754W 电阻 (Resistance) Ω ± 10% 电感 (Inductance) mH ± 20% 绝缘电阻 (Insulation Resistance) 100MΩ Min (500VDC) 介电强度 (Dielectric Strength) 700VAC 1 minute 转动方向 (Direction of Rotation) 顺时针 (CW) 绝缘等级 (Insulation Class) B 重量 (Weight) 3KG 工作温度 0-50℃ 湿度 90%RH,不结霜状态s90%RH 海拔高度 ≤1000m 振动 ≤0.5G 绕组类型 星形 电角度 120°c 绝缘等级 B 使用环境温度 -20°C~50°C 绝缘电阻 100MΩMin.500VC DC 介电强度 500v AC 1 minute
