150W3000转 24V57法兰09系列直流无刷电机
-
QW57F2H09N30150
-
57低压无刷电机
-
奇沃/QIWO
-
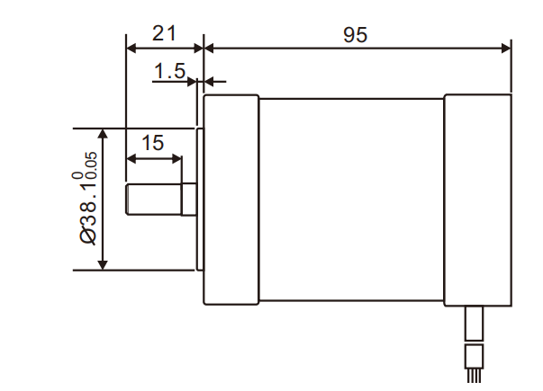
57*57
-
3
-
4
-
24V
-
150W
-
3000RPM
-
0.47
-
1kg
-
轴,法兰,端盖,线,减速机,刹车等
-
BLD120
-
关于电机定制,驱动器定制,电机控制器减速机方案选型问题请咨询 周工 13308458470


参数 数值 相数(Number of Phase) 3 极数(Number of Poles) 4 额定电压(Rated Voltage) 24 V 空载转速(No Load Speed) 4800 RPM 额定电流(Rated Current) 10.5 A 额定转速(Rated Speed) 3000 RPM 额定功率(Rated Power) 150 W 额定扭矩(Rated Torque) 0.47 N.M 峰值扭矩(Peak Torque) 0.564 N.M 峰值电流(Peak Current) 12.6 A 扭矩常数(Torque Constant) 0.06 V/kRPM 绝缘等级(Insulation Class) B级 机身长度(Motor Length) 95 mm 重量(Weight) 1.0 kg 工作温度 0-50℃ 湿度 90%RH,不结霜状态s90%RH 海拔高度 ≤1000m 振动 ≤0.5G 绕组类型 星形 电角度 120°c 绝缘等级 B 使用环境温度 -20°C~50°C 绝缘电阻 100MΩMin.500VC DC 介电强度 500v AC 1 minute
