140W3000转 24V57法兰直流无刷电机
-
QW57F2H03N30140
-
57低压无刷电机
-
奇沃/QIWO
-
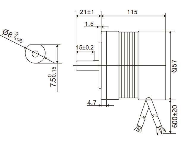
57*57
-
3
-
4
-
24V
-
140W
-
3000RPM
-
0.45
-
1.25
-
轴,法兰,端盖,线,减速机,刹车等
-
BLD120
-
关于电机定制,驱动器定制,电机控制器减速机方案选型问题请咨询 周工 13308458470


电机参数表 - QW57F2H03N30140 参数
(Parameter)单位
(Unit)值
(Value)额定功率
(Rated Power)W 140 极数
(Number of Poles)- 4 相数
(Number of Phases)- 3 额定电压
(Rated Voltage)V 24 额定转速
(Rated Speed)RPM 3000 额定扭矩
(Rated Torque)N·M 0.45 额定电流
(Rated Current)A 8.6 峰值扭矩
(Peak Torque)N·M 0.54 峰值电流
(Peak Current)A 10.32 力矩常数
(Torque Constant)N·M/A 0.063 反电势常数 Ke
(RMS L-L)V/kRPM 6.6 转动惯量
(Rotary Inertia)g·cm² 230 机身长度
(Motor Length)mm 115 重量
(Weight)kg 1.25 工作温度 0-50℃ 湿度 90%RH,不结霜状态s90%RH 海拔高度 ≤1000m 振动 ≤0.5G 绕组类型 星形 电角度 120°c 绝缘等级 B 使用环境温度 -20°C~50°C 绝缘电阻 100MΩMin.500VC DC 介电强度 500v AC 1 minute
