1000W3000转 48V110法兰直流无刷电机
-
QW110F4H02N301000
-
110低压无刷电机
-
奇沃/QIWO
-
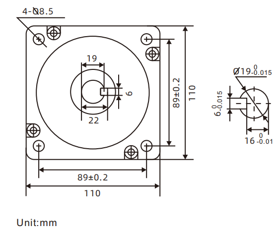
110*110
-
3
-
8
-
48V
-
1000W
-
3000RPM
-
3.2
-
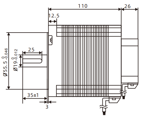
4.5kg
-
轴,法兰,端盖,线,减速机,刹车等
-
BLD50A
-
关于电机定制,驱动器定制,电机控制器减速机方案选型问题请咨询 周工 13308458470


参数名称 单位 数值 额定功率(Rated Power) W 1000 极数(Number of Poles) - 8 额定电压(Rated Voltage) V 48 额定转速(Rated Speed) RPM 3000 额定扭矩(Rated Torque) N·m 3.2 额定电流(Rated Current) A 28 峰值扭矩(Peak Torque) N·m 3.84 峰值电流(Peak Current) A 33.6 转矩常数(Torque Constant) N·m/A 0.12 反电动势常数Ke(RMS L-L) V/kRPM 8.4 机身长度(Motor Length) mm 136 重量(Weight) kg 4.5 工作温度 0-50℃ 湿度 90%RH,不结霜状态s90%RH 海拔高度 ≤1000m 振动 ≤0.5G 绕组类型 星形 电角度 120°c 绝缘等级 B 使用环境温度 -20°C~50°C 绝缘电阻 100MΩMin.500VC DC 介电强度 500v AC 1 minute
