650W6000转 220V80法兰直流无刷电机
-
QW80F6H01G60650
-
80系列1高压无刷电机
-
奇沃/QIWO
-
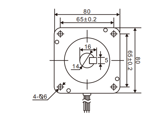
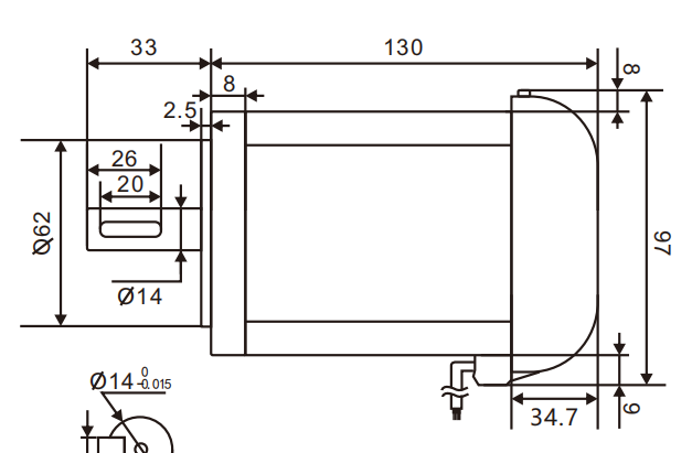
80*80
-
3
-
6
-
310V
-
650W
-
6000RPM
-
1.03
-
2.8kg
-
轴,法兰,端盖,线,减速机,刹车等
-
QW-HV-01BL
-
关于电机定制,驱动器定制,电机控制器减速机方案选型问题请咨询 周工 13308458470


项目 单位 数值 额定功率(Rated power) W 650 极数(Number of Poles) - 6 额定电压(Rated Voltage) V 310 额定转速(Rated Speed) RPM 6000 额定转矩(Rated Torque) N·m 1.03 额定电流(Rated Current) A 2.8 峰值扭矩(Peak Torque) N·m 1.236 峰值电流(Peak Current) A 3.36 力矩常数(Torque Constant) N·m/A 0.36 反势力常数Ke(RMS L-L) V/kRPM 27 机身长度(Motor Length) mm 130 重量(Weight) kg 2.8 工作温度 0-50℃ 湿度 90%RH,不结霜状态s90%RH 海拔高度 ≤1000m 振动 ≤0.5G 绕组类型 星形 电角度 120°c 绝缘等级 B 使用环境温度 -20°C~50°C 绝缘电阻 100MΩMin.500VC DC 介电强度 500v AC 1 minute
