450W3000转 220V80法兰直流无刷电机
-
QW80F6H01G30450
-
80系列1高压无刷电机
-
奇沃/QIWO
-
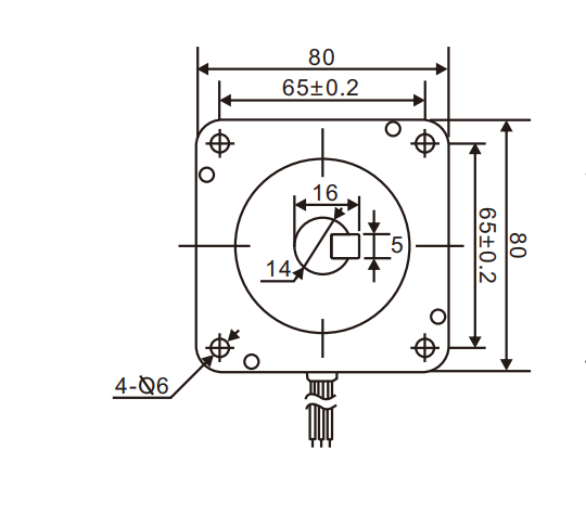
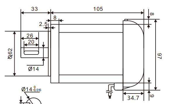
80*80
-
3
-
6
-
310V
-
450W
-
3000RPM
-
1.43
-
1.7Kg
-
轴,法兰,端盖,线,减速机,刹车等
-
QW-HV-01BL
-
关于电机定制,驱动器定制,电机控制器减速机方案选型问题请咨询 周工 13308458470


参数名称 单位 数值 额定功率(Rated power) (W) 450 极数(Number of Poles) - 6 额定电压(Rated Voltage) (V) 310 额定转速(Rated Speed) (RPM) 3000 额定转矩(Rated Torque) (N·M) 1.43 额定电流(Rated Current) (A) 1.94 峰值扭矩(Peak Torque) (N·M) 1.716 峰值电流(Peak Current) (A) 2.328 力矩常数(Torque Constant) (N·M/A) 0.72 反电势常数Ke(RMSL-L) (V/kRPM) 55 机身长度(Motor Length) (mm) 105 重量(Weight) (kg) 1.7 工作温度 0-50℃ 湿度 90%RH,不结霜状态s90%RH 海拔高度 ≤1000m 振动 ≤0.5G 绕组类型 星形 电角度 120°c 绝缘等级 B 使用环境温度 -20°C~50°C 绝缘电阻 100MΩMin.500VC DC 介电强度 500v AC 1 minute
